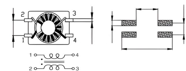
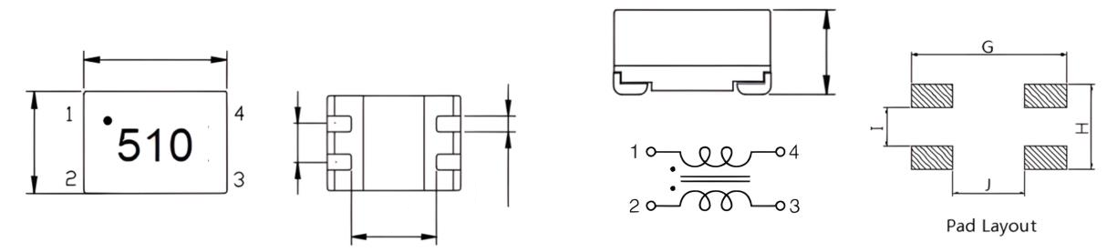
共模电感
●特征 FEATURES
额定电流高达 1.6A。 电感范围:10 至 6500μH。 符合 RoHS 标准"且无卤素"。
Current rating up to 1.6 A. Inductance range:10 to 6500μH. RoHS compliant“and halogen free".
●用途 Applications
抗电磁波干扰。
EMI suppression.
●结构及尺寸 Structure And Dimension
HLCM0904


Unit:mm


Unit:mm
